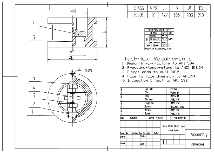
Korpus zaworu
|
A995 4A
|
Dysk
|
API 594
|
Typ połączenia
|
Wafel RF
|
Wymiar twarzą w twarz
|
API 594
|
Kołnierz ciemny
|
ANSI B16.5
|
Standard testowy
|
API 598
|
Temperatura ciśnienia
|
ANSI B16.34
|
Podwójny zawór zwrotny płytki
Rysunek techniczny

Kluczowe funkcje:
1. Wyprodukowany z dupleksowej stali nierdzewnej A995 klasy 4A, ten zawór zwrotny 8 -calowy zapewnia doskonałą wytrzymałość mechaniczną i odporność na korozję.
2. Zaprojektowana do standardów API 594, konstrukcja podwójnej płytki umożliwia kompaktową instalację i niezawodną wydajność niezapomnianą pod ciśnieniem 300 funtów.