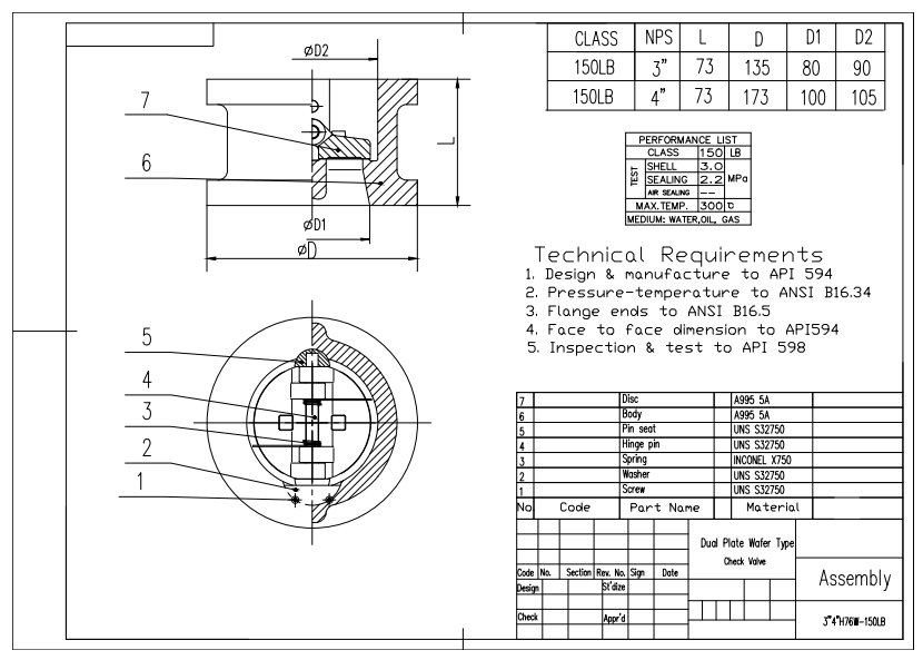
Korpus zaworu
|
A995 5A
|
Dysk
|
API 594
|
Typ połączenia
|
Podwójny kołnierz RF
|
Wymiar twarzą w twarz
|
API 594
|
Kołnierz ciemny
|
ANSI B16.5
|
Standard testowy
|
API 598
|
Temperatura ciśnienia
|
ANSI B16.34
|
Podwójny zawór zwrotny płytki
Rysunek techniczny

Kluczowe funkcje:
1. Wykonany z dupleksowej stali nierdzewnej A995 klasy 5A, ten zawór kontrolny 4 -calowy oferuje doskonałą odporność na korozję w trudnych środowiskach.
2. Zgodnie z interfejsem API 594, podwójna konstrukcja płytki zapewnia wydajną zapobieganie przepływowi wstecznym i instalację oszczędzającą przestrzeń.