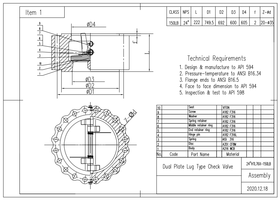
Korpus zaworu
|
A216 WCB
|
Dysk
|
API 594
|
Typ połączenia
|
Typ zaczepu
|
Wymiar twarzą w twarz
|
API 594
|
Kołnierz ciemny
|
ANSI B16.5
|
Standard testowy
|
API 598
|
Temperatura ciśnienia
|
ANSI B16.34
|
Podwójny zawór zwrotny płytki
Rysunek techniczny

Kluczowe funkcje:
1. Wykonany z trwałego materiału WCB, ten 24 -calowy zawór kontrolny zapewnia wysoką wytrzymałość i niezawodną wydajność w umiarkowanych systemach ciśnienia.
2. Konstrukcja podwójnego płytki typu zaczepu jest zgodna z API 594, zapewniając kompaktową instalację i skuteczne zapobieganie przepływowi wstecznemu.