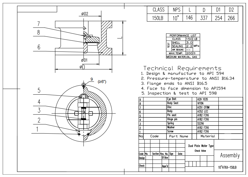
Korpus zaworu
|
A352 LCC
|
Dysk
|
API 594
|
Typ połączenia
|
Podwójny kołnierz RF
|
Wymiar twarzą w twarz
|
API 594
|
Kołnierz ciemny
|
ANSI B16.5
|
Standard testowy
|
API 598
|
Temperatura ciśnienia
|
ANSI B16.34
|
Podwójny zawór zwrotny płytki
Rysunek techniczny

Kluczowe funkcje:
1. Zbudowany z materiału LCC, ten zawór kontrolny podwójnej płytki o pojemności 10 cali 150 funtów oferuje zwiększoną wytrzymałość o niskiej temperaturze i odporność na korozję.
2. Zaprojektowany z końcami waflów i RF, spełnia standardy API w celu skutecznego zapobiegania przepływom wstecznym i łatwej instalacji między kołnierzami.