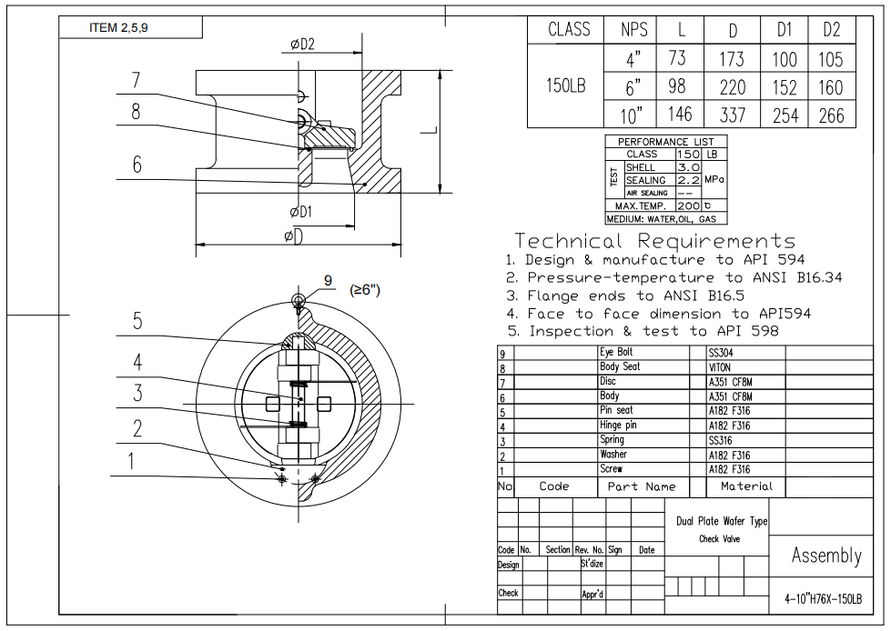
Korpus zaworu
|
A35
1 CF8M
|
Dysk
|
API 594
|
Typ połączenia
|
Typ RF opłatek
|
Wymiar twarzą w twarz
|
API 594
|
Kołnierz ciemny
|
ANSI B16.5
|
Standard testowy
|
API 598
|
Temperatura ciśnienia
|
ANSI B16.34
|
Podwójny zawór zwrotny płytki
Rysunek techniczny

Kluczowe funkcje:
1. Zbudowany ze stali nierdzewnej CF8M, ten zawór zwrotny podwójnej płytki podwójnej płytki zapewnia doskonałą odporność na korozję i trwałość w szerokim zakresie zastosowań.
2. Ten zawór, zgodny z API 594, ma podwójną konstrukcję płyty, która zapewnia niezawodne zapobieganie przepływowi wstecznemu i instalację oszczędzającą przestrzeń.